WhatsApp:+86 180 0252 3836 E-mail:witarea@qq.com


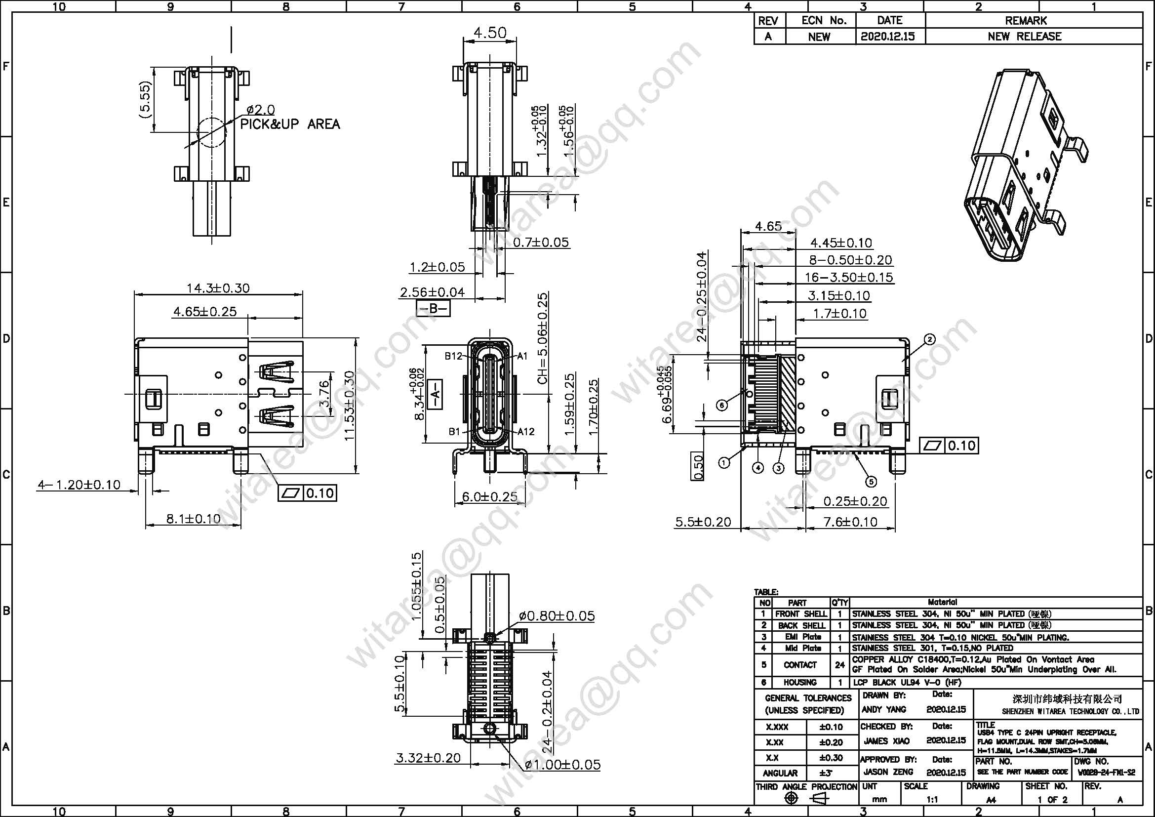
| Part No.: | 135.W0028-24-FM1-S2 |
|
Equivalent |
|
| Products: | USB 4.0 TYPE C 24PIN RECEPTACLE , FLAG-MOUNT, DUAL-ROW SMT, WITH BRACKET, CH=5.06MM, L=14.3MM |
| Central-Height(CH) | CH=5.06 MM |
| Product Family: | TYPE C USB4 Connector |
| Connector style: | Type C |
| Number of contacts: | 24 |
| PCB mount type: | flag mount,Surface mount |
| Orientation: | Horizontal |
| Mount position: | Flag mount,DIP PEG |
| Current Rating: | 5A |
| Shell stake: | Through hole |
| Shell stake lengths: | 1.7mm |
| Locating Peg: | With locating peg |
| Application: | USB C device |
| Product Status: | Active |
| Certification: | Rohs(EN50581),REACH |
| Mating Cycles: | 10000 |
Mobile devices:smartphones, tablets and ect.
Smart devices:Remote Monitoring,and ect.
Gaming consoles and ect.
Computers:,laptops and desktop computers and ect.
Peripherals: External hard drives, USB flash drives,UKEY,USB disk,USB receiver,USB key,FIDO key,USB dongle, security key and ect.
Audio equipment: headphones, speakers, and other audio equipment and ect.
Video equipment and ect. Automotive industry and ect.
Connectors mainly categories:
USB C Connectors
Type c male plug,type c female plug,SMT TYPE C connector,and ect.