WhatsApp:+86 180 0252 3836 E-mail:witarea@qq.com



| Part No.: |
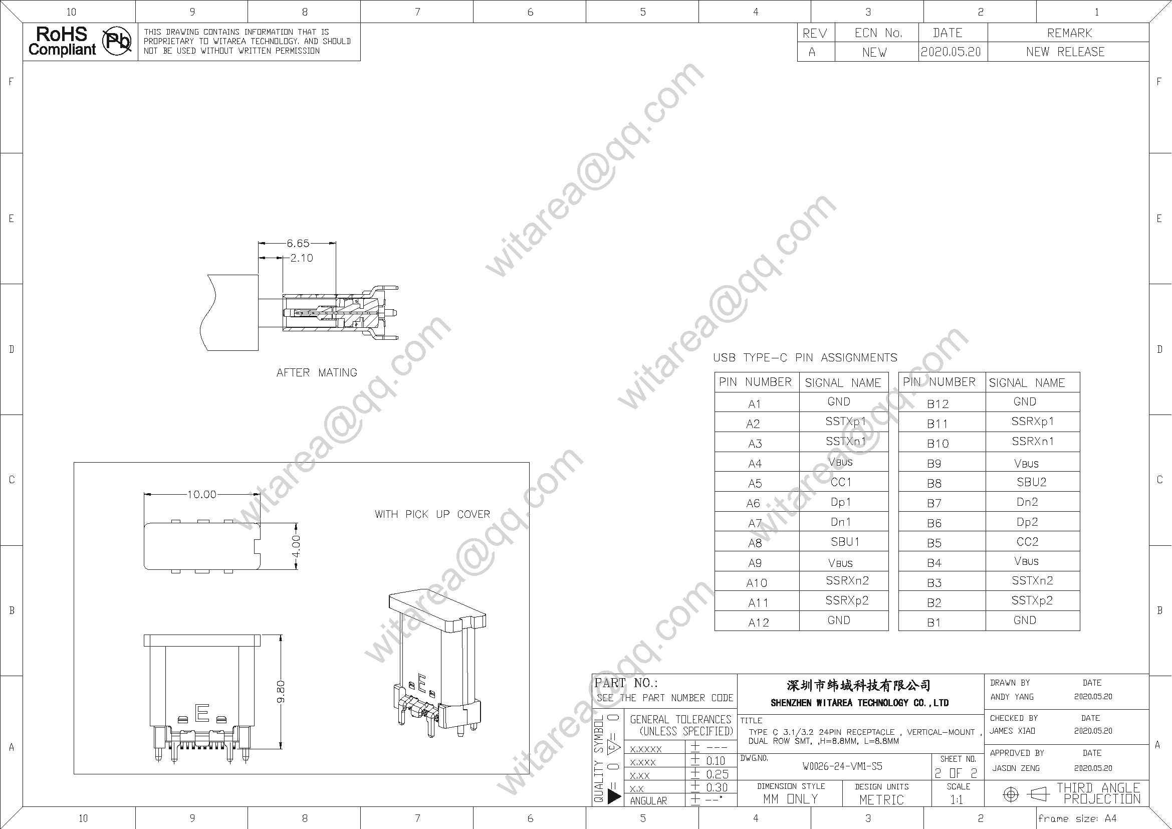
68.W0026-24-VM1-S5 |
|
Equivalent |
|
| Products: |
Usb 3.0/3.1 type C 24pin vertical-mount dual-row SMT receptacle, H=8.8mm,L=8.8mm, 48V 5A 240W |
| Central-Height(CH) | H=8.8mm |
| Product Family: | USB TYPE C Connector |
| Connector style: | Type C |
| Number of contacts: | 24 |
| PCB mount type: | Vertical-mount |
| Orientation: | Vertical |
| Mount position: | Vertical-mount,DIP PEG |
| Current Rating: | 5A |
| Shell stake: | Through hole |
| Shell stake lengths: | 1.15mm |
| Locating Peg: | With locating peg |
| Application: | USB C device |
| Product Status: | Active |
| Certification: | Rohs(EN50581),REACH |
| Mating Cycles: | 10000 |
Mobile devices:smartphones, tablets and ect.
Smart devices:Remote Monitoring,and ect.
Gaming consoles and ect.
Computers:,laptops and desktop computers and ect.
Peripherals: External hard drives, USB flash drives,UKEY,USB disk,USB receiver,USB key,FIDO key,USB dongle, security key and ect.
Audio equipment: headphones, speakers, and other audio equipment and ect.
Video equipment and ect. Automotive industry and ect.
Connectors mainly categories:
USB C Connectors
Type c male plug,type c female plug,SMT TYPE C connector,and ect.